粉碎机
|
|
|
特点
◆ 刀具采用优质钢材,经久耐用,刀具可多次刃磨,拆卸安装方便
筛网 |
|
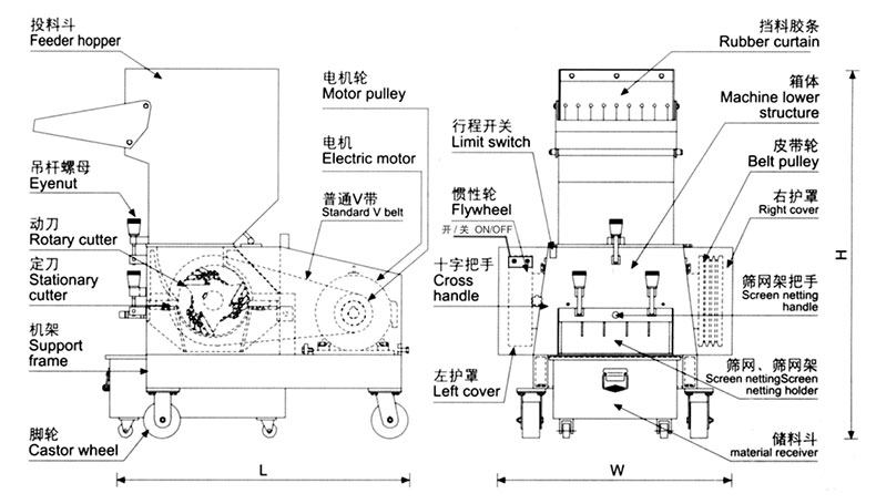
结构简图
技术参数
| 型号 |
功率 (kw) |
转子直径 (mm) |
碎料室尺寸 (mm) |
动刀片 |
定刀片 |
碎料量 (kg/h) |
转速 (r/min) |
管网孔径 (mm) |
机械尺寸 (cm) |
重量 (kg) |
|---|---|---|---|---|---|---|---|---|---|---|
| PC-180 | 2.2 | φ150 | 180×200 | 3×3 | 2 | 100-150 | 480 | φ6 | 70×45×110 | 130 |
| PC-230 | 4 | φ200 | 230×200 | 3×2 | 2 | 100-200 | 660 | φ8 | 100×65×115 | 280 |
| PC-300 | 5.5 | φ236 | 310×210 | 3×3 | 2 | 200-300 | 585 | φ8-φ10 | 115×75×125 | 430 |
| PC-400 | 7.5 | φ236 | 410×235 | 3×4 | 2 | 300-400 | 585 | φ8-φ10 | 120×85×132 | 470 |
| PC-500 | 11 | φ296 | 515×290 | 3×5 | 2 | 400-600 | 550 | φ10 | 150×100×140 | 720 |
| PC-600 | 15 | φ296 | 610×320 | 3×6 | 4 | 500-800 | 550 | φ12 | 155×110×165 | 890 |
| PC-800 | 22 | φ400 | 815×470 | 3×8 | 4 | 800-1000 | 450 | φ14 | 200×150×220 | 1800 |
| PC-1000 | 45 | φ680 | 1000×670 | 3×10 | 4 | 1000-1300 | / | φ14 | 280×185×280 | 3500 |
| PC-400D | 11 | φ296 | 310×410 | 1×3 | 2 | 400-600 | 550 | φ10 | 150×90×140 | 700 |
| PC-600D | 15 | φ480 | 430×615 | 1×3 | 4 | 500-800 | 450 | φ12 | 200×1300×200 | 1100 |
